
| ○Electrical characteristics | Rated: | voltage. current. 30V, 1A |
|---|---|---|
| Impedance: | 75Ω | |
| VSWR: | ~1GHz type:~960MHz 1.6max | |
| ~2.5GHz type:~2.5GHz 1.4max | ||
| ~3.0GHz type:~3.0GHz 1.33max NEW | ||
| Insulation resistance: | DC500V 1000MΩ min. | |
| Dielectric Strength: | AC1000V 1minute | |
| Contact resistance: | 10mΩ max. |
| ○Mechanical characteristics | Withdrawal force of Ceter contact: | 0.5N min. by Dia 0.5mm gauge |
|---|---|---|
| Life: | 1000 times |
| ○Others | RoHS correspondence |
|---|---|
| Reflow 260℃max. (for chassis) |
For chassis
Reflow 260°C max.
Pin length variety.
Part No. |
Material |
Plating |
L |
D |
|---|---|---|---|---|
F211D###_FL |
Bs |
Ni |
18.5 |
11.5 |
The pin will be plated with Au.



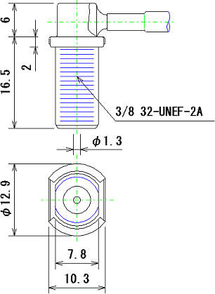
Cable ass'y
Screw portion H cut
Solder type
VSWR:~1GHz
Cable type:1.5C-2V 1.7C-2V
Part No. |
Material of Shell |
Plating |
|---|---|---|
F035011_FL |
Bs |
Ni |
For chassis
Reflow 260℃ max.
Pin length variety.
VSWR:~1GHz
Part No. |
Material |
Plating |
L |
D |
|---|---|---|---|---|
F211A###_FL |
Bs |
Ni |
18.5 |
11.5 |
F221A###_FL |
Steel |
Ni |
18.5 |
11.5 |
F226A###_FL |
Steel |
Ni |
18.5 |
13 |
F352A###_FL |
Bs |
Ni |
14.5 |
11 |
F562A###_FL |
Bs |
Ni |
16.9 |
11.5 |
F671A###_FL |
Steel |
Ni |
14.5 |
11 |
VSWR:~2.5GHz
Part No. |
Material |
Plating |
L |
D |
|---|---|---|---|---|
F352C###_FL |
Bs |
Ni |
14.5 |
11 |
F352E###_FL |
Bs |
Au |
14.5 |
11 |
F562B###_FL |
Bs |
Ni |
16.9 |
11.5 |
F671D###_FL |
Steel |
Ni |
14.5 |
11 |
For chassis
Reflow 260℃ max.
Pin length variety.
VSWR:~1GHz
Part No. |
Material of Shell |
Plating |
L |
|---|---|---|---|
F311A###_FL |
Bs |
Ni |
20 |
For chassis
Reflow 260℃ max.
ANSI(Flat type)
Pin diameter φ0.51~φ1.63
VSWR:~1GHz
Part No. |
Material |
Plating |
L |
Screw |
|---|---|---|---|---|
F231A###_FL |
Bs |
Ni |
18.7 |
17 |
F241A###_FL |
Steel |
Ni |
18.7 |
17 |
F291A###_FL |
Steel |
Ni |
24.2 |
22.5 |
F281A###_FL |
Steel |
Ni |
21.7 |
15 |





For chassis
Reflow 260℃ max.
Surge
VSWR:~1GHz
Part No. |
Material of Shell |
Plating |
L |
|---|---|---|---|
F221B###_FL |
Bs |
Ni |
18.5 |

With mount cap. For chassis or PCB
Reflow 260℃ max.
VSWR:~1GHz
Part No. |
Material of Shell |
Plating |
L |
L1 |
|---|---|---|---|---|
F151011_FL |
Bs |
Ni |
14 |
8.2 |
F261071_FL |
Bs |
Ni |
17.5 |
12.2 |
VSWR:~2.5GHz
Part No. |
Material of Shell |
Plating |
L |
L1 |
|---|---|---|---|---|
F211131_FL |
Bs |
Ni |
30.8 |
16.3 |
F552020_FL |
Bs |
Ni |
21.8 |
16.5 |


| ○Electrical characteristics | Rated: | voltage. current. 30V, 1A |
|---|---|---|
| Impedance: | 75Ω | |
| VSWR: | ~960MHz 1.3max | |
| Insulation resistance: | DC500V 1000MΩ min. | |
| Dielectric Strength: | AC1000V 1minute | |
| Contact resistance: | 10mΩ max. |
| ○Mechanical characteristics | Insertion force: | 31.38N max. by Dia 9.347mm gauge (Push-on type) |
|---|---|---|
| Withdrawal force: | 7.89N~31.38N by Dia 9.347mm gauge (Push-on type) | |
| Life: | 500 times |
| ○Others | RoHS correspondence |
|---|---|
| Reflow 260℃max. (for chassis) |

Cable ass'y
Push-on type
Crimp type
Cable type:1.5C-2V 1.7C-2V
Part No. |
Material of Shell |
Plating |
|---|---|---|
DS055011_FL |
PB |
Ni |

Cable ass'y
Push-on type
Solder type
Cable type:1.5C-2V 1.7C-2V
Part No. |
Material of Shell |
Plating |
|---|---|---|
DS055021_FL |
PB |
Ni |

Cable ass'y
Screw type
Crimp type
Cable type:1.5C-2V 1.7C-2V
Part No. |
Material of Shell |
Plating |
|---|---|---|
FP120011_FL |
Bs |
Ni |

For chassis
Push-on type
Reflow 260℃ max.
Pin length variety.
Part No. |
Material of Shell |
Plating |
|---|---|---|
IE140B###_FL |
Steel |
SnCu |